- Get link
- X
- Other Apps
- Get link
- X
- Other Apps
Vauxhall Vivaro Horn Wiring Diagram Holden Astra Starter Relay Location
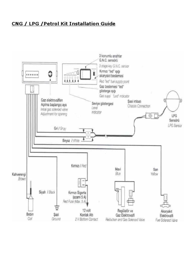
Electrical wiring diagrams for vauxhall vivaro download free. Vauxhall astra g radio wiring diagram. Vivaro vauxhall
vauxhall vivaro horn wiring diagram
Download PDF
- Get link
- X
- Other Apps









![[LB_7776] Bass Tracker Pro17 Wiring Help Tinboatsnet Schematic Wiring](https://static-assets.imageservice.cloud/1246444/aluminum-boat-wiring-diagram-wiring-library.jpg)

Comments
Post a Comment