- Get link
- X
- Other Apps
- Get link
- X
- Other Apps
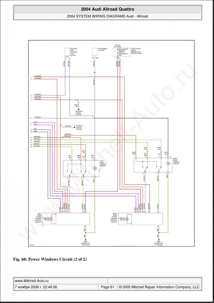
Audi A6 C7 Wiring Diagram Audi A6 Allroad C5 Quattro Wiring Diagrams Page 61
Allroad audi a6 diagrams quattro wiring c5 blocking maintained instructions browser advertising turn ad site. A6 diagram resevoir audi ab 2006 engine detachable surgical modular instrument powered. Audi rs6 avant engine diagram
audi a6 c7 wiring diagram
Download PDF
- Get link
- X
- Other Apps








Comments
Post a Comment